当前位置: 首页 »产品展示 »其他产品 »双吸离心泵
产品4

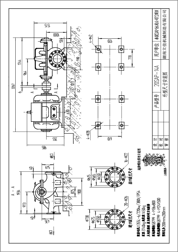
SA、SAP系列单级双吸中开离心泵

  • 产品材质:铸铁(HT、QT)、铸钢(ZG)、碳素结构钢、合金钢、奥氏体不锈钢(304、316、316L、904、904L)、马氏体不锈钢(2Cr13、3Cr13)、双相不锈钢(2205、2304、2507)
  • 产品分类:双吸离心泵
  • 浏览次数:
  • 发布时间:2020/5/15 13:43:40
  • 产品概述

SA(SAM、SAF、SAP、SLA)型单级双吸中开离心泵输送的介质温度为-20℃--80℃,适用于输送各种工业用水、生活用水、自来水及水利工程,农田排灌等用途。

SA型用于输送清水或物理、化学性质类似于清水的液体。

SAM型用于输送含有一定量的固体颗粒的腐蚀性液体。

SAF型用于输送各类腐蚀性液体。

SAP型是在SA型泵的基础上吸收消化国外同类泵技术上改型和扩充的一个新品种。

● 性能范围:流量:72--9900m³/h  扬程:6.8—104m

所有泵均可根据用户使用要求调整其运行参数。

● 结 构:SA(SAM、SAF、SAP)型泵为卧式安装,吸入口与吐出口均在泵轴中心线下方,泵体水平中开,检修时不需折卸进、出水管路。

SLA为立式安装,吸入口和吐出口均在水平方向,泵体、泵盖的分开面在轴中心线上垂直分开。

轴承:泵两端均为滚动轴承(其中24SA--18、16SA--90可选用滑动轴承)支撑转子部件,稀油或油脂润滑。

轴封:①软填料密封;②机械密封从电机端看,泵逆时针旋转,也可按用户要求制成顺时针旋转。

● 过流部件材质:泵的过流部件材质均为铸铁,如用户需要可采用铸钢和铜制造,但需要在合同中注明。

● 型号说明:例:10SA(SAP、SAM、SAF、SLA)--6A

10一吸入口径被25除(即吸入口径为250mm)

SA--单级双吸离心清水泵

SAP--SA改进泵

SAM--耐磨型单级双吸离心泵

SAF--耐腐蚀型单级双吸离心泵

SLA--立式单级双吸离心泵

6--比转数被10除化整的约数

A--叶轮第一次切割


结构说明:

SAP型系列泵结构见图所示

1、本型泵壳体部分主要由泵体、泵盖、密封环等零件组成,泵为卧式安装,泵壳于轴心线处分开,上部为泵盖,下部为泵体,吸入口和吐出口均在泵轴线下方的泵体上,其中心线与轴线垂直。检修时不需拆卸进水和出水管路,即可揭开泵盖,取出转子部件进行检修和更换有关零件。

2、转子部件由轴、叶轮、轴套、挡水圈、锁紧螺母等零件组成,轴上零件均由两端圆螺母锁紧,并将整个主轴保护起来,从而提高轴的使用寿命,转子上轴向力由叶轮自身平衡,剩余轴向力由滚动轴承承受。

3、轴承采用滚动轴承、干油润滑。轴承装在轴承衬套上成为一体,便于轴上零件的更换。轴际端盖密封采用骨架油封。

4、轴封采用软填料密封和机械密封两种形式,供用户选择。

填料密封由填料套、填料环、填料和填料压盖等零件组成。填料部位的冷却、润滑均由水封管部件通过引用泵内自身水完成。

机械密封由非平衡型机械密封部件和压盖等零件组成。

机械密封部位的冲洗、冷却水由水封管部件通过引用泵内自身水完成,也可接用外来水完成。

    5、水封管部件由水封管、弯头、和闸阀组成。

6、本系列泵采用弹性柱销联轴器由电机直接驱动。

7、泵的旋转方向,从电机端向泵看,为逆时针方向旋转,即吸入口在左,吐出口在右。

根据用户要求,也可将驱动端移到泵的另一端。此时,转向和吸入、吐出口方向均与上述相反。

泵 型 号             

装配部位

轴      承      名      称

轴承规格

数  量

轴承体结构型式

6SAP-6

从动端

深沟球轴承

310

1

结构一

驱动端

深沟球轴承

310

1

6SAP-8

8SAP-10

从动端

深沟球轴承

308

1

驱动端

深沟球轴承

308

1

8SAP-7

从动端

深沟球轴承

312

1

驱动端

深沟球轴承

312

1

10SAP-6

12SAP-10

从动端

深沟球轴承

316

1

驱动端

深沟球轴承

316

1

12SAP-4

从动端

深沟球轴承

6316

1

结构三

不带轴承内套

驱动端

深沟球轴承

6316

1

14SAP-4

从动端

深沟球轴承

6319

1

结构三

不带轴承内套

驱动端

单列向心短圆柱滚子轴承

NU319

1

14SAP-10

14SAP-20

从动端

深沟球轴承

316

1

结构一

驱动端

深沟球轴承

316

1

16SAP-9J

从动端

深沟球轴承

319

1

驱动端

单列向心短圆柱滚子轴承

32319

1

16SAP-10

从动端

深沟球轴承

318

1

结构二

驱动端

深沟球轴承

318

1

16SAP-13

从动端

深沟球轴承

313

1

结构三

不带轴承内套

驱动端

深沟球轴承

313

1

20SAP-4

从动端

深沟球轴承

6326

1

结构三

不带轴承内套

驱动端

单列向心短圆柱滚子轴承

NU326

1

20SAP-5

从动端

深沟球轴承

326

1

结构二

不带轴承内套

单列向心短圆柱滚子轴承

2326

1

驱动端

单列向心短圆柱滚子轴承

NU326

1

20SAP-6

从动端

深沟球轴承

326

1

结构二

单列向心短圆柱滚子轴承

NU326

1

驱动端

单列向心短圆柱滚子轴承

NU326

1

20SAP-10

从动端

深沟球轴承

324

1

结构一

 

驱动端

单列向心短圆柱滚子轴承

32324

1

20SAP-14

从动端

深沟球轴承

324

1

驱动端

单列向心短圆柱滚子轴承

32324

1

20SAP-20

20SAP-22

从动端

深沟球轴承

316

1

驱动端

深沟球轴承

316

1

20SAP-28

从动端

深沟球轴承

316

1

驱动端

深沟球轴承

316

1

24SAP-6

从动端

深沟球轴承

328

1

结构二

单列向心短圆柱滚子轴承

32328

1

驱动端

单列向心短圆柱滚子轴承

32328

1

24SAP-10

从动端

深沟球轴承

324

1

结构一

驱动端

深沟球轴承

324

1


 

轴承型号及规格表二

泵 型 号             

装配部位

轴     承     名     称

轴承规格

数  量

轴承体结构型式

24SAP-14

从动端

深沟球轴承

324

1

结构一

驱动端

单列向心短圆柱滚子轴承

32324

1

24SAP-18

从动端

深沟球轴承

324

1

驱动端

单列向心短圆柱滚子轴承

32324

1

24SAP-28

从动端

深沟球轴承

319

1

驱动端

单列向心短圆柱滚子轴承

32319

1

26SAP-10

从动端

深沟球轴承+单列向心短圆柱滚子轴承

6326

NU326

各1

结构二

驱动端

单列向心短圆柱滚子轴承

NU326

1

28SAP-9J

从动端

深沟球轴承

330

1

结构一

驱动端

深沟球轴承

330

1

28SAP-12

从动端

深沟球轴承

6326

1

结构三

驱动端

单列向心短圆柱滚子轴承

NU326

1

28SAP-25

从动端

深沟球轴承

319

1

结构一

驱动端

单列向心短圆柱滚子轴承

2319

1

32SAP-9

从动端

深沟球轴承

330

1

结构一

驱动端

深沟球轴承

330

1

32SAP-10

从动端

深沟球轴承

6326

1

结构三

驱动端

单列向心短圆柱滚子轴承

NU326

1

32SAP-12

从动端

单列角接触轴承

37330BCB

2(背对背)

结构二

不带轴承内套

驱动端

深沟球轴承

630(SKF)

2

32SAP-13

从动端

深沟球轴承

6328

1

结构三

单列向心短圆柱滚子轴承

NU328

1

驱动端

单列向心短圆柱滚子轴承

NU328

1

32SAP-19

32SAP-25

从动端

深沟球轴承

324

1

结构一

驱动端

单列向心短圆柱滚子轴承

32324

1

36SAP-13

从动端

深沟球轴承

6326

2

结构二

不带轴承内套

驱动端

深沟球轴承

6326

2

36SAP-28

从动端

深沟球轴承

324

1

结构一

驱动端

单列向心短圆柱滚子轴承

32324

1

40SAP-11

从动端

深沟球轴承

6236

1

结构二

驱动端

单列向心短圆柱滚子轴承

NU236

1

44SAP-14

注:两端伸轴

角接触轴承

7336BCBM

1对

结构一

单列向心短圆柱滚子轴承

NU336

1

44SAP-25

从动端

单列向心短圆柱滚子轴承

32336

1

结构一

驱动端

深沟球轴承

334

1

48SAP-30

从动端

滑动轴承






    

安装  

注意:设备的管道系统,基础和其它部分非泵厂设计,不属于泵厂的责任范畴。泵厂愿意提供资料和建议,但不对这些方面的设计和操作负责。

我们建议用户向精通基础、管道装置,油槽和有关装置的设计专家咨询,以补充和解释泵厂的资料,确保安装成功。

到货检查:

到货后,应立即对设备进行验收,因装运引起的任何缺陷应立即报告给承运人。

拆包装时要小心(见“搬运条款”)。包装内应包括说明书文本和其它部件(如电机)的说明书及装箱单。这些文件应放在一个安全方便的地方以供随时参考,安装前应掌握该手册的全部内容。

泵的零配件可能装于另外的包装内,提货时应检查件数。

储藏:

泵在存放和安装期内应避免腐蚀,若泵需放置一段时间再安装,请把它放在干凉而又干燥的地方,存放的位置要平稳,避免挤撞,盖子请勿拆开。

如存放时间过长,泵要采取防锈措施,放在无腐蚀的地方。

搬动:

泵移动时要小心,如处理不当可能导致泵的损坏或永久失调,吊泵时要细心,勿弯曲或损坏水管。提升泵或零部件的设备应有足够的起吊能力。

泵清洗:

泵运行前,泵腔内应用清水冲洗,清除锈蚀和运输、存放、安装过程中积累的杂物,若泵存放超过六个月,则应拆卸,清洗,检查后才能运行。

安装位置:

泵的安装位置应恰当,并尽可能接近所抽液源,要保证有操作,维修,拆卸和检查泵的适当空间。

主泵房应认真考虑,泵房应有足够能力的起吊设备,当泵用电机驱动时,应考虑环境对设备的影响,房间要通风,避免过热或过于潮湿。

基础:

基础必须牢固,并能吸收泵的振动和永久地支撑1.5倍的机组重量(包括电机)。和一般采用钢筋混凝土作基础。

地脚螺栓建议按下布置图浇固在混凝土中,为防止转动,螺栓的底部和套管上焊上一块带凸橼的大垫片。一次灌浆的基础面须低于底板下平面20~40㎜,以供二次灌浆用。

sapjc.png

底板调平:

把设备放在基础上,用楔块或垫块来调平底板,用水平仪检查水平度,拧紧基础螺栓,用水平仪重新检查底板水平度。如有必要进行调整。

校准找正:

泵与电机的同心度至关重要,泵与电机是在工厂组装配套的,但因装运时底板变形,基础螺栓的不均匀拧紧或管道发生弯曲变形等现象,致使泵与电机不同心。因此,泵运行前须重新检查同心度。

确信泵体与底板紧固在一起后,取下联轴器螺栓,然后用千分尺或塞尺检查泵的偏差情况。每隔90°测量联轴器间距,一般泵和电机联轴器之间留3~5㎜间隙。

用直规(刀口尺)横过两联轴器每隔90°测量径向位移情况,并用塞尺测量误差(位移)数值。

现场电机安装:

关键检查电机偏心率。

泵和电机在工厂精心安装时,应检查旋转部件的偏心率。

泵和电机安装调整时,必须坚持电机联轴器的偏心率,因现场安装时电机轴偏心率漏检,经常发生轴被损坏的现象。

管道:

设备安装后,要连接吸入和排出管道,请勿用泵作为管道支架,所有管道均不能用泵支撑。安装附件时,注意避免让泵承受任何压力,管道应多用直管少用弯管,以减少水头损失。

在使用弯管时,泵进出口前后的直管部分应至少为管径的5~10倍长。

管道连接后,应按上述要求再次检查设备的调准情况。

出水管道:

出水管道必须比原排出口大一个规格,习惯上在出口管道上装一个闸阀和止回阀比较好,止回阀能防止停机时回流对泵的损害(泵厂对未装止回阀的损坏不负责任)。为便于检查,止回阀应装在闸与泵之间,闸阀也便于灌引水和泵的起动。

例外:大流量低扬程泵如:冷凝循环泵和灌溉用泵可不装止回阀。

吸入滤网:

为防止新管道内存在的杂物堆转动配合的损坏至关重要。清除杂物可在吸入管道上尽可能接近泵吸入口处装一个滤网,滤网的有效面积应大于吸入管截面积。在滤网的两边装上压力表来测量滤网的阻力。当设备起动时,请仔细观察滤网两侧压力表,如两个压力表的压力差异常增加,说明滤网已被污物和水垢堵塞,这时应停止泵的工作,清除杂物或更换滤网。当管路污物清除完后,取掉滤网。

四、起动前检查:

填料和机械密封:

首先确定您的泵是否装有机械密封或通用填料,如果填料或机械密封是在工厂安装的,可以直接使用。

注意:以上两种轴封形式的选用和安装,可根据用户要求确定。

填料的具体装法如下:

首先,拆下填料压盖,取出水封环,仔细清扫函内和轴上的污物,然后装入两根环形填料,切口错开180°,然后装上水封环,并使其与填料函内润滑水孔对齐。再装填料,最后将剩下的填料压盖装上。均匀拧紧压盖螺母后再松开,用手复紧到指紧的程度,这样就可以保证适当的泄漏量使填料得以润滑。

注意:填料压盖不要拧得太紧,使填料停止泄漏。少量的泄漏可以使填料得以润滑,如停止泄漏将会引起填料烧损和轴套插伤。

机械密封安装:

请参照机械密封样本尺寸及要求进行安装。

电机准备及润滑:

请按电机厂的说明做好电机的操作准备。接线后,旋转方向务必与泵上的箭头方向一致,在联轴器未连接时就要确认。

注意:联轴器连接前,必须检查电机转向,设备的旋转方向不正确会引起设备的损坏和人员的伤害。

电机驱动时,请注意电机铭牌标明的电压和频率须与线路一致。检查所有的接线头并根据线路图操作。电机的润滑参照电机厂的说明进行。

轴承:

装滚动轴承的泵用黄油作润滑剂,注入轴承体时,以占轴承体空间的70%为宜。

五、操作:

起动前的检查全部完成后,请注意以下的操作准备起动泵。

泵起动:

1、用手转动转子至少一周,观察所有零件是否旋转自如,因为安装运输过程不妥,管道变形可能会引起转子的咬合、摩擦。

2、给泵灌引水、用液源的水倒注,或用其它水源注入,或采用抽真空的方法均可。

3、检查系统布置。管道布置合理能使泵有效地输送所抽液体,每次泵起动,当排出管道无压力时,务必关闭出口闸阀。

4、如果填料函为外接水封,需要外接水源有充足的压力以产生适当的流量,如果接泵体压出室外的压力水则请用泵本身的水封管部件。

5、启动驱动机,使泵增速并让内部零件得到润滑。

6、泵达到额定转速,请逐渐打开吐出阀以避免速度突变和吸入管内压力波动。在任何时候请勿长时间关闭运行,否则泵内的液体就会增热甚至达到汽化的程度,使泵擦伤卡住,或使泵断流失去吸入能力。

7、调节阀门控制填料函密封水,确保适当的泄漏,使填料得到充分润滑,在适量的泄漏下保持压盖尽可能的松很重要,正常的泄漏量为10~15滴/分。如压盖过紧,则造成轴套和填料的磨损,同时增加机械损失。

8、短时间运行后,应检查所有螺栓的松紧情况,同时检查联轴器的同轴度和转子的灵活情况。

停机:

1、当停止水泵时,要慢慢关闭吐出阀门和真空计旋塞,然后停止电动机,并关闭压力旋塞,若所处环境温度较低时,应将泵体最下方的旋塞打开,放出泵内余水,以免冻裂。

2、当长期停止使用水泵时,应将水泵拆开擦干零件上的水,并在加工面上涂上防锈油,妥善保存。

操作检查:

1、注意轴承温度,一般不超过外界温度35℃,最高温度不应超过75℃。

2、填料需要少许泄漏以便冷却和润滑,请按前述方法调整压盖。

3、定期检查弹性联轴器。

4、水泵运行过程中应进行周期性检查,叶轮与密封环的间隙磨损过大时,应更换叶轮或密封环。

六、大修时的正规维修程序

填料更换:

当填料磨损到泄漏不能控制的程度,建议更换填料。首先旋下罗马,取下压盖,用夹子或钩子取下填料和水封环,然后彻底清洗填料函体,然后检查并更换磨损了得轴套,重新装上新的填料,请参照前述的“填料的具体装法”。

机械密封更换:

为更换机械密封,泵应拆卸,然后取下机械密封零件,换上新品,压盖也应彻底清洗,并换上新的“O”形圈。

从动端:

1、卸下轴承端盖,松下缩紧园螺母,取下轴承。

2、取下轴承体和挡水圈。

3、取下压盖螺栓和压盖。

4、取下轴套和“O”形圈。

5、取下带机械密封部件的轴套。

6、将动环在轴套上的位置划上标记线,然后从轴套上取下来。

    7、在轴套上装上新的机封零件,并调到划线位置。

8、在轴上装上轴套,“O”形圈,安装压盖及压盖螺栓。

9、安装轴承衬套、轴承、挡水圈和锁紧园螺母并拧紧。

 10、安装轴承体、轴承端盖、装上螺栓。

对驱动端机械密封的更换程序同上。

拆卸泵的程序:(请参考泵的结构图)

1、断开电源接头

2、断开联轴器

3、停止泵的其它辅助系统的工作

4、拆下任何可能妨碍拆卸的辅助管道

5、排出泵体内的水

6、旋下填料压盖螺母,取消压盖(若使用机封,需取下压盖螺栓)

7、卸下中开面螺栓

8、卸下泵盖

9、取下轴承体螺栓

10、吊下转子部件,放在架上

11、卸下锁紧联轴器的园螺母

12、卸下联轴器

13、卸下轴承衬套、轴承、轴承压盖、轴承体、挡水圈

14、取下叶轮挡套,“O”形圈、水封环、填料及填料衬套或卸下带机封的轴套(用机封时)

15、取下泵体口环

16、取下叶轮、键

零件检测:

更换标准的泵体口环,同时应全面检查轴承看是否有疲劳痕迹,如有请更换。

机械密封检验:

1、检查静环和动环的密封面看是否有磨损或裂痕。

2、检查“O”形圈是否有损坏。检查所有垫片和弹簧。

3、安装机封时请参照“机械密封更换方法”进行。

泵体、泵盖中开面检查:

由于泵体、泵盖中开面密封是用胶密封,因此,对中开面的胶必须清理干净,确保重新安装时的密封效果。

泵重新组装:

1、装上叶轮键,将叶轮装在轴上,再在叶轮上套上泵体口环。

2、装上叶轮挡套、轴套、“O”形圈、填料衬套、水封环及填料压盖。

3、装带有机封的泵时,将装好了的机封的轴套、压盖装于泵上。

4、装挡水圈,油封,轴承压盖和轴承体。

5、将装好轴承的衬套一起装在轴上。

6、在轴的从动端装上锁紧园螺母,端盖垫和轴承端盖。

7、在轴的驱动端装上端盖垫,轴承端盖,联轴器和锁紧螺母。

8、吊转子部件置于泵体中。

9、确定泵体口环与销的位置是否正确。

10、装上轴承的螺栓。

11、在泵体的中开面上均匀的涂上密封胶。

12、装上泵盖和中开面螺栓,并均匀对称的拧紧螺栓。请检查转子的轴向间隙,该间隙应在0.15~0.2㎜之间,同时请确认转子转动灵活。

13、装填料,请参考“填料的具体装法”。

14、把挡水圈装在离轴承体1~6㎜。

15、装联轴器柱销,检查与电机的同轴度,如有必要应进行调整。

七、可能发生的故障及解决办法

故障

原因

解决办法

1、水泵不吸水,压力表及真空表的指针在剧烈摆动

注入水泵的水不够,吸入管路水管或仪表漏气

再往水泵内注水或拧紧堵塞漏气处

2、水泵不吸水,真空表表示高度真空

底阀没有打开,或已淤塞,吸入管路阻力太大,泵安装高度太高

校正或更改底阀,清洗或更改吸入管路,减低吸水高度

3、看压力表水泵出水处是有压力,然而水管仍不出水

出水管阻力太大,旋转方向不对,叶轮淤塞

检查或缩短水管及检查电机,取下水管接头,清洗叶轮

4、流量低于预计

水泵淤塞,口环磨损过多

清洗水泵及管子,更换口环

5、水泵耗费的功率过大

填料函压得太紧,填料函发热,因磨损叶轮坏了,水泵供水量增加

拧紧填料函,或将填料取出来打方一些,更换叶轮,增加出水管路的阻力,来降低流量

6、水泵内部声音反常,水泵不上水

流量太大,吸水管内阻力太大,吸水高度过大,在吸水处有空气渗入,所输送的液体温度过高

增加出水管得阻力以减低流量,检查泵吸入管内阻力,检查底阀减少吸水高度。拧紧堵塞漏气处。降低液体温度

7、轴承过热

没有油,水泵轴与电机轴不在一条中心线上

注油,把轴中心校准

8、水泵振动

泵轴与电机轴不在一条中心线上或泵轴倾斜了

把水泵和电机的轴中心线对准

 型谱图(Performance Charts)

sap-1bf.jpg